Product Guide Encoder - page 20

20
INCREMENTAL ENCODERS
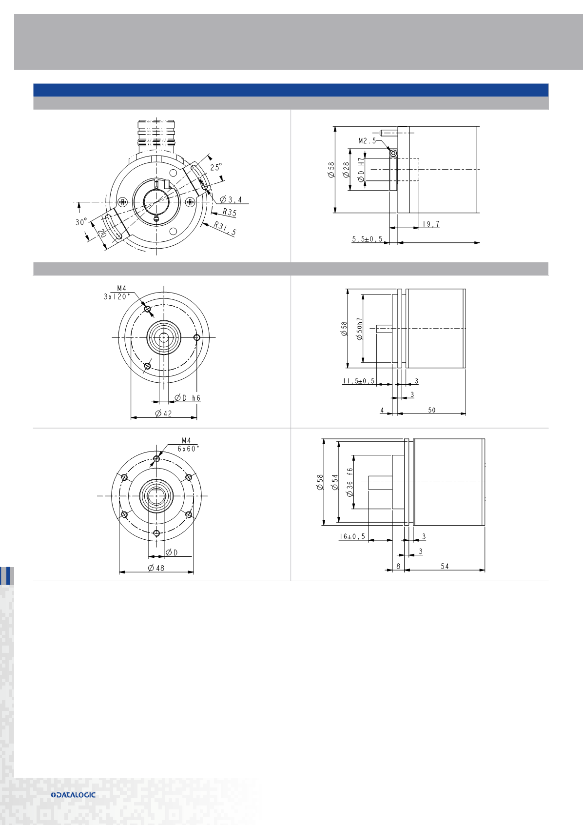
DIMENSIONS
Hollow shaft VERSION
Solid shaft VERSION
67
XX XXX
c
X
d
XX
e
X
f
X
g
X
h
X
i
XX
j
/Sxxx
k
Additional code (optional)
ALS
utput
output
ble output
cable output
3 connector output
M23 connector output
AGe
output circuit)
(N, P, Y output circuit)
output circuit)
e
ShAfT DIAmeTeR
14 =
14 mm
15 =
15 mm
f
COnneCTIOn POSITIOn
- =
axial
R =
radial
g
PROTeCTIOn
- =
IP64 (standard)
P =
IP65
h
COUnTInG fReQUenCY
- =
100 kHz (standard)
W =
300 kHz
i
OPeRATInG TemPeRATURe
- =
-25°C +85°C (-13°F +185°F) standard
K =
-40°C +100°C (-40°F +212°F)
j
CABLe LenGTh
- =
1 m cable (standard)
L2 =
2 m cable
Lx =
x m cable
CLx =
x m cable with DSub 9 pin inline plug
k
CUSTOm veRSIOn
CK58-CK59-CK60
CK58
CK59
CK60
-
X
a
-
XXXXX
b
XXX
c
X
d
XX
e
X
f
X
g
X
h
X
i
Order code
a
OUTPUT CIRCUITS
n =
NPN
P =
PNP
Y =
Push Pull
L =
Line Driver (RS422)
h =
PP/LD universal circuit
v =
1 Vpp sine/cosine
c
OUTPUT SIGnALS
Bnf =
AB, cable output
Znf
= AB0, cable output
BCU =
AB /AB, cable output
ZCU =
AB0 /AB0, cable output
BCZ =
AB /AB, M23 connector output
ZCZ =
AB0 /AB0, M23 connector output
e
ShAfT DIAmeTeR
14 =
14 mm
15 =
15 mm
f
COnneCTIOn POSITIOn
- =
axial
h
COUn
- =
100 k
W =
300 k
i
OPeR
- =
-25°C
K =
-40°C
I58
I58S
-
X
a
- XXXXX
b
XXX
c
X
d
XX
e
X
f
X
g
X
h
X
i
Order code
a
OUTPUT cIRcUITS
n =
NPN o.c.
P =
PNP o.c.
Y =
Push Pull
=
Line Driver (RS422)
h =
PP/LD universal circuit
c
OUTPUT SIGnALS
Bnf =
AB, cable output
Znf
= AB0, cable output
BcU =
AB /AB, cable output
ZcU =
AB0 /AB0, cable output
BcZ =
AB /AB, M23 connector output
e
ShAfT DIAmeTeR
6 =
6 mm
8 =
8 mm
P9 =
9.52 mm - 3/8”
10 =
10 mm
12 =
12 mm
h
cOUnTInG
- =
100 kHz (st
W =
300 kHz
i
OPeRATInG
I58
I58S
X
f
X
g
X
h
X
i
XX
j
/Sxxx
k
ShAfT DIAmeTeR
=
6 mm
=
8 mm
h
cOUnTInG fReQUencY
- =
100 kHz (standard)
W =
300 kHz
I58
I58S
55
I58
I58S
-
X
a
- XXXXX
b
XXX
c
X
d
XX
e
X
f
X
g
X
h
X
i
Order code
ENC58-S06
ENC58-S10
h 10
1...,10,11,12,13,14,15,16,17,18,19 21,22,23,24,25,26,27,28,29,30,...52
Powered by FlippingBook